






від 7 200 ₴
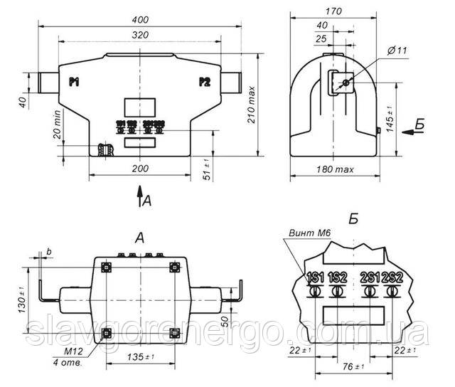
Трансформатор струму ТПЛУ-10 отримує на вході сигнал із початковими параметрами, і на виході видає його вже зі зміненими значеннями. Трансформатор ТПЛУ один із найпопулярніших трансформаторів струму, який працює в мережах змінного струму 50 Гц із максимальною напругою 10 кВ. Заміри високих значень і робота з струмом за такої високої напруги надзвичайно небезпечні. Тому його параметри зменшуються до таких, які вже можуть сприймати вимірювальні прилади, автоматика та пристрої, що використовуються для керування. Отже, трансформатори виконують і захисну функцію, запобігаючи вторинним мережам від короткого замикання й аварійних ситуацій, пов'язаних із впливом високої напруги.
Вироби можна купити для роботи в помірному кліматі (кліматичне виконання "У") на відкритому повітрі та в приміщенні (категорія розміщення 1.2). Працюють у будь-якому положенні.
У нашому магазині ви можете вибрати й купити також трансформатори з іншими робочими характеристиками.
| Найменування параметрів | Значення параметра |
|---|---|
| Номінальна напруга кВ | 10 |
| Найбільша робоча напруга, кВ | 12 |
| Номінальний первинний струм, А | 5, 10, 15, 20, 30, 50, 75, 100, 150, 200, 300, 400, 500, 600, 800, 1000 |
| Номінальний вторинний струм, А | 1;5 |
| Номінальна частота, Гц | 50 |
| Клас точності вторинного обмотування: - для вимірювань; - для захисту; |
0,2S; 0,5; 0,5S; 0,5S+/5Р; 10P |
| Номінальне вторинне навантаження при сos ↑ = 0,8, В·А обмотки: - для вимірювань; - для захисту; |
10/15 |

Термін постачання від 1 дня за наявності на складі або від 5 днів залежно від кількості трансформаторів у замовленні. На трансформатори надається гарантія 12 місяців + пакет документів: паспорт, протокол, сертифікати відповідності, повірка, модулі.
Працюємо з усіма регіонами України та на експорт.
| Основні | |
|---|---|
| Країна виробник | Україна |
| Маса | 14 кг |
| Напруга | 10 кВ |
| Частота струму | 50 Гц |
| Ізоляція | Лита |
| Спосіб монтажу | Комбіноване |
| Номінальний струм | 50 А |
| Потужність навантаження | 15 кВА |
| Вторинний струм | 5 А |
| Принцип перетворення струму | Електромагнітний |
| Кількість коефіцієнтів трансформації | 1 |
| Користувальницькі характеристики | |
| Код моделі | 140 |